Toshiba recently added several products to its motor control portfolio. The first is the TB9104FTG, a new gate driver for high-current automotive brushed DC motors.

The TB9104FTG may find use in power back doors, power sliding doors, and power seats.
Second, Toshiba released the TC78B043FTG/FNG sine-wave driver controllers for three-phase brushless DC (BLDC) motors. These ICs integrate communication and memory features to reduce development time for their respective motor control applications.
Toshiba's New Gate Driver for Brushed DC Motors
The automotive industry is increasingly electrifying vehicle subsystems, requiring more motors to move subcomponents and compact, high-current gate drivers. These components must integrate numerous features to reduce additional design and harnessing.
The TB9104FTG gate driver (datasheet linked) addresses that need, operating as a single-channel full H-bridge or a two-channel half-bridge. The device includes a standby mode and is equipped with a charge pump with a 2x boost configuration.

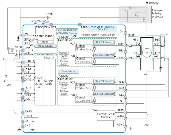
Block diagram of the TB9104FTG IC. External circuits are included as a reference.
It comes in a small VQFN32 package (5.0 mm x 5.0 mm) with an exposed thermal pad on the underside. The TB9104FTG requires three power supplies: battery power (5.7 V to 18 V), MCU system power (4.5 V to 5.5 V), and analog system power (4.5 V to 5.5 V). The component can operate at ambient temperatures from -40°C to 125°C and is currently scheduled for AEC-Q100 Grade 1 qualification.
The Gate Driver's Integrated Features
The TB9104FTG’s standout features are its integrated SPI features and additional on-board motor control circuits. The TB9104FTG includes a built-in motor current-sense amplifier circuit and a built-in PWM drive circuit. The TB9104FTG also features dedicated pins and an SPI interface for configuring options and providing status information. These features enable the IC to serve as an isolated component. The device offers continuous motor operations based on a preset PWM cycle via implemented rotation commands. Toshiba intends users to place this on a microcontroller’s SPI bus. It can receive commands and execute them on its own, reducing the need for harnessing and pin allocation.
Features of the SPI interface include configuration control of the various built-in circuits. The current-sense amplifier has an internal offset for calibration and can be configured to provide output to a microcontroller. The built-in PWM drive circuit can respond to motor rotation instructions and execute based on presets. Built-in anomaly-detection features detect abnormalities and notify them on the SPI line. The anomaly features include low-voltage detection on each power supply line, overheat detection, high-voltage detection on the charge pump line, and overcurrent detection on the drain-source voltage. A battery reverse connection prevention circuit prevents abnormal voltage drops on the RPPO pin.
The TB9104FTG is part of Toshiba’s plan to expand its lineup of automotive motor driver ICs, targeting body system applications like sliding doors and adjustable seats, windows, or mirrors that require motors to operate moving parts. Engineering samples are available upon request.
Sine-Wave Drive Controllers for Both SPM and IPM Motors
Three-phase BLDC motors are generally designed with a permanent magnet. Motor designers have the choice between using surface permanent magnets (SPM) or interior permanent magnets (IPM). In recent years, IPM-type motors have risen in popularity due to their low cost, high output, and high torque. However, using IPM motors comes at the cost of increased vibration and noise and requires motor controllers with lower noise and better control efficiency.

The TC78B043FNG and TC78B043FTG may be used in air conditioners, air purifiers, and a wide range of industrial equipment.
Toshiba recently released the TC78B043FNG and TC78B043FTG (datasheet linked), new sine-wave PWM drive controllers designed for three-phase BLDC motors. These devices can be used for both SPM and IPM motors in low-noise, high-efficiency applications, particularly those in home appliances and industrial equipment.
Features of the New Sine-Wave PWM Drive Controllers
Both devices support a supply voltage of 6–23 V (operational) and 25 V (absolute). A built-in regulator circuit (5-V typ, 35-mA max) is included for external components such as Hall sensors. These ICs also include several safety features such as thermal shutdown (TSD), power supply low-voltage detection (UVLO), current limiting, output over-current detection (ISD), and lock protection. The devices can perform in a temperature range from -40°C to +115°C.

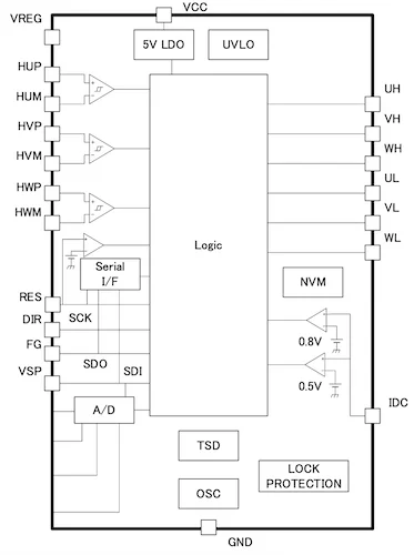
TC78B043FTG block diagram.
The motor controllers feature built-in NVM for SPI-configurable settings, such as automatic/fixed lead angle, and input from onboard or external Hall elements. Other adjustable settings include forward/reverse switching and speed control (analog voltage or PWM duty cycle). This allows the devices to be tuned for low noise and high efficiency.
The TC78B043FTG comes in a WQFN20 (3.0 mm x 3.0 mm) package, while the TC78B043FNG uses an HTSSOP28 (6.3 mm x 9.9 mm) package. The TC78B043FNG has four additional pins (FGC, LATYPE, LAOFS, and LA) for pin-based, lead-angle adjustment without SPI, and its NVM includes initial speed profiles to reduce development time.
All images used courtesy of Toshiba.

