Power Integrations unveiled the TopSwitchGaN family at APEC 2026 in San Antonio. At the event, EEPower sat down with Andrew Smith, Director of Training at Power Integrations to get some insights on the new release. According to Smith, “Across the world, the average home already has two silicon TOPSwitch ICs.”
By combining the company's PowiGaN technology with its longstanding TOPSwitch architecture, the ICs push flyback topologies into the 440 W range, territory previously reserved for more complex resonant designs. The advancement promises simpler circuits, faster designs, and lower system costs. "Industrial applications are some of the earliest adopters of this new technolgy, because they are already using TOPSwitch," said Smith.

At APEC 2026, Power Integrations was demonstrating three designs based on its new TOPSwitchGaN technology.
The Traditional Flyback Ceiling
For decades, flyback converters have been the workhorse of low- and mid-power applications. Simple, isolated, and requiring few components, they dominate everything from phone chargers to modest industrial supplies. But traditional silicon flyback designs plateau around 250 W, and beyond that, engineers hit a wall where efficiency drops and thermal management becomes difficult.
Historically, the solution has been to switch topologies entirely, moving to LLC or other resonant designs that handle higher power more gracefully. That topology swap, however, brings its own friction because LLC circuits are more complex, demanding more passive components, tighter layouts, and deeper design expertise. For a manufacturer accustomed to flyback simplicity, jumping to resonant designs means longer development time and higher design risk, along with steeper customer learning curves.
TopSwitchGaN addresses this friction head-on by melding Power Integrations' 800 V PowiGaN switches, proprietary GaN semiconductors, directly into the TOPSwitch IC platform. This means it effectively acts as a drop-in family that extends the familiar flyback architecture to 440 W while maintaining the simplicity engineers expect.
92% Efficiency
TOPSwitchGaN delivers 92% efficiency across the full 10% to 100% load range, a critical metric for real-world reliability. No-load power sits below 50 mW, meeting stringent ErP regulations without extra work. The ICs operate up to 150kHz, allowing the use of smaller passive components, which is a major benefit for space-constrained designs.
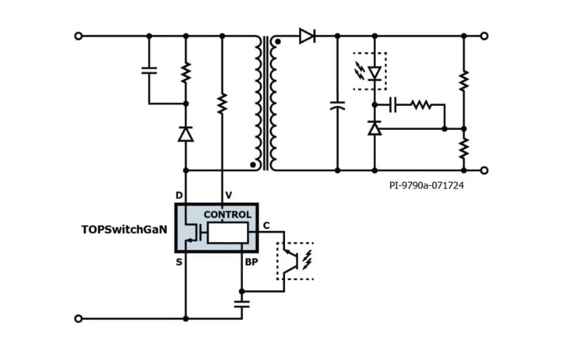
Diagram of TopSwitch GaN use. Image used courtesy of Power Integrations
The IC comes in two packages: The eSOP-12 variant handles 135 W without a heatsink, eliminating thermal management in lower-power branches of the product portfolio, while the smaller eSIP-7 footprint minimizes PCB real estate, critical for compact designs like e-bike chargers or wall-mount supplies. For many applications, heatsinks will vanish from the bill of materials entirely, cascading cost and assembly benefits downstream.
Power Integrations backs the family with three reference designs. DER-1079 demonstrates a 60W USB supply, DER-1019 targets industrial 356W supplies, while RDK-1018 showcases a 168W e-bike charger.
Real Impact for Engineers and Manufacturers
The practical implications of the new GaN IC family are likely to ripple across the industry. An appliance manufacturer designing a microwave power supply, for example, can now stick with flyback architecture at higher power levels rather than learning resonant design rules, while an industrial OEM can reduce component count, PCB complexity, and thermal footprint simultaneously.

This 168 W Li-ion battery charger demonstration was featured at the Power Integrations booth at APEC 2026.
Flyback has thrived for four decades because simplicity naturally compounds. Fewer parts mean fewer failure modes, fewer design decisions mean faster time-to-market, and fewer thermal challenges mean simpler manufacturing.
TopSwitchGaN preserves all those advantages while moving the power ceiling, creating a genuine inflection point for a topology that powers much of the world's consumer and industrial electronics.
For design teams already wedded to flyback, TopSwitchGaN removes the topology-upgrade choice that was beginning to feel unavoidable. Meanwhile, for new designs entering the 300-440 W range, it offers an architectural path that would have seemed impossible eighteen months ago. Neither outcome is trivial in an industry where design decisions compound across millions of units shipped annually.


