Infineon Puts More Under the Hood of New MCU-embedded Power ICs
Built for automotive motor control, the new chips pack power electronics, microcontrollers, and communications circuitry in one chip.
Infineon has introduced the TLE988x and TLE989x families of MCU-embedded power ICs for highly-integrated power electronics. The new families extend Infineon’s MOTIX line of smart power ICs and give designers new tools when designing power electronics that require both control and communications support.
The TLE988x and TLE989x families of MCU-embedded power ICs combine compute, communications, and power-driving capabilities into a single package.
The automotive industry demands more power and motor control than ever before. As such, the latest Infineon chips come equipped with power electronics, microcontrollers, communications circuitry, and performance upgrades to allow designers to easily add brains to their motor control electronics.
While the TLE988x and TLE989x are not the first Infineon power chips to come equipped with more control electronics, they offer several benefits over previous generations. This article breaks down those benefits and gives readers a sense of what stands out from Infineon’s latest offering.
Higher Integration: A Defining Feature of the New Chips
The TLE988x and TLE989x families build upon the MOTIX family of motor control solutions. The TLE98xx line represents the highest level of integration with embedded MCU and communications, while other offerings allow designers to choose systems focused purely on power transistors or gate driving.

The TLE988x, shown in a typical application circuit, can combine MCU functionality, communications ability, and H-bridge driving into a single device for motor control.
The TLE988x offers H-bridge control with the integrated gate driver, allowing designers to control up to four external power transistors to accomplish two-phase motor control. The built-in 32-bit Arm Cortex-M3 processor enables general-purpose computing on-chip. This simplifies more complex deployments, allowing multiple chips to be united into a single package.
The TLE989x, on the other hand, supports three-phase motor control, giving the designer control over six external power transistors. Each of the chips contains a number of GPIO pins and on-chip voltage regulators to provide more versatility in powering the device. In addition, Infineon has released an evaluation board, so designers can rapidly test the TLE989x in a physical device without sinking hours into an evaluation design.
Infineon Adds CAN (FD) Support
Perhaps the biggest difference between the TLE988/9x and previous families is the addition of built-in CAN (FD) support. In contrast to previous generations that have used PWM + LIN to interface with the chip, the newly-added CAN interface makes it much easier to integrate into automotive systems, where the CAN (FD) protocol is prevalent.
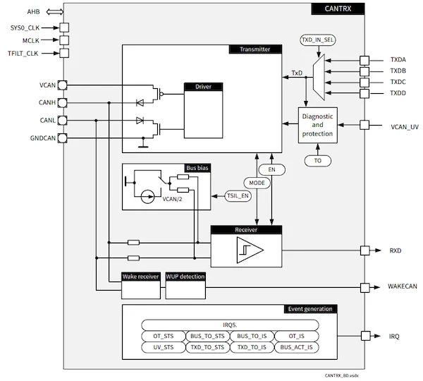
The built-in CAN transceiver (shown above) communicates with the target device using the common and robust CAN (FD) protocol.
The new MCU-embedded power ICs support communication speeds up to 2 Mbps, allowing designers to readily integrate the chips into existing CAN networks. Infineon has identified several automotive applications for the chips (datasheet linked), but designers can use them wherever they require high-efficiency motor control with embedded control/communication.
Vast Functionality in a Small Package
While Infineon’s newest solutions may not offer higher raw performance than a solution with dedicated chips for computing, communications, and power control, they do give designers a new and compact way of integrating all these functions in a single device. The TLE988/9x families could be a valuable tool for designers needing lots of functionality in a small package.
.jpg)
